How To Wire A Vfd Variable Frequency Drive Youtube
How To Choose The Best Variable Frequency Drive
Sv1 Hvac Vfd Control Panel Vfds Com
Variable Frequency Drive Vfd What Is It And Why Use It In Hvac Micrometl Corporation S Blog
Consulting Specifying Engineer Web Exclusive Vfd Bypasses And Backups Which Should You Use
How To Control Vfd With Push Button Switch Terminal Control Wire Control Youtube
Variable Frequency Drive On Refrigeration Compressor
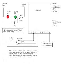
Vfd Wiring Diagram Parallel Suzuki Grand Vitara Fuse Box Diagram Dodyjm Pro Wirings Decorresine It
Danfoss Vfd Common Start Stop Incontrol
Plc Wiring Vfd Wiring Skills Hands On Electrical Training Amatrol
In Hvac Vfds Is 2 Contactor Bypass Really Better Than 3 Contactor Bypass 2019 02 20 Engineered Systems Magazine
How To Wire Control Wiring For An Hvac Variable Speed Frequency Drive Vfd Altivar 212 Youtube
Tc 4575 Using Original Motor Controls With A Vfd Page 2 Wiring Diagram
Danfoss Vfd Relay Delay Settings Incontrol
Variable Frequency Drive Applications In Hvac Systems Intechopen
Ppt Smartvfd Hvac And Bypass Introduction Powerpoint Presentation Free Download Id 6611719
Using A Vfd To Convert Single Phase To Three Phase Power Updated Wireless Telemetry
Variable Frequency Drive In Hvac Systems